Silicone U Channel 25 Metre
Silicone E Section 35 Metre Length
Silicone E Section U Channel Door Seal 50 Metre Length
T section 20 mm X 10.1 mm wide black silicone extrusion rubber seal...
Silicone Rubber Extrusion P Strip 13 mm Bubble - Door Seal - Heavy ...
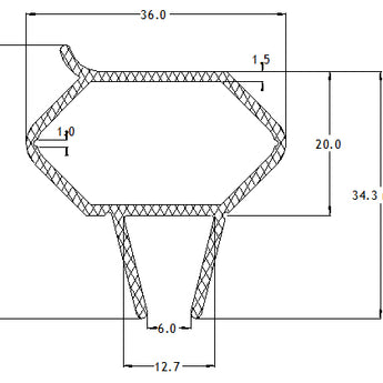
Silicone Omega Keyhole Section - 25 Metre
Silicone Clip On Lip Seal U Channel 25 Metre
Silicone Rubber Extrusion P Strip Vacuum Seal 6 mm Bubble - Door Se...
Silicone Clip On Door Seal - 10 Metre
Rubber Extrusions
Here at Culley’s Hairy Worm, we specialise in stocking rubber and plastic sealing products for draught proofing, available from us throughout the whole of the UK. On this page, you will find our range of draught extrusion products.
Here we have a range of silicone rubber extrusions and seals to keep out drafts from various spaces, including D-section, T-section and U-section rubber seal extrusions. Each of the letters corresponds to the style and shape of the draught extrusion. You can see from the diagrams the detail of what you can expect from each product.
These draught extrusion seals can be used for various applications, including glazing seals, door seals, gap filling, bonnet seal, panel sealing, hatches, sliding windows and sliding doors, weather exclusion, and dust exclusion. The rubber material is ideal for affixation for use with different materials, such as glass, Perspex, acrylic, metal, fibreglass and plastic.
To find out more about our draught extrusions or to discuss your requirements and obtain a free quotation, you can get in touch with us by completing our contact form or by emailing us at info@thehairyworm.co.uk. You can also call us on 0161 622 0020 and we will be glad to answer any questions you may have for us.